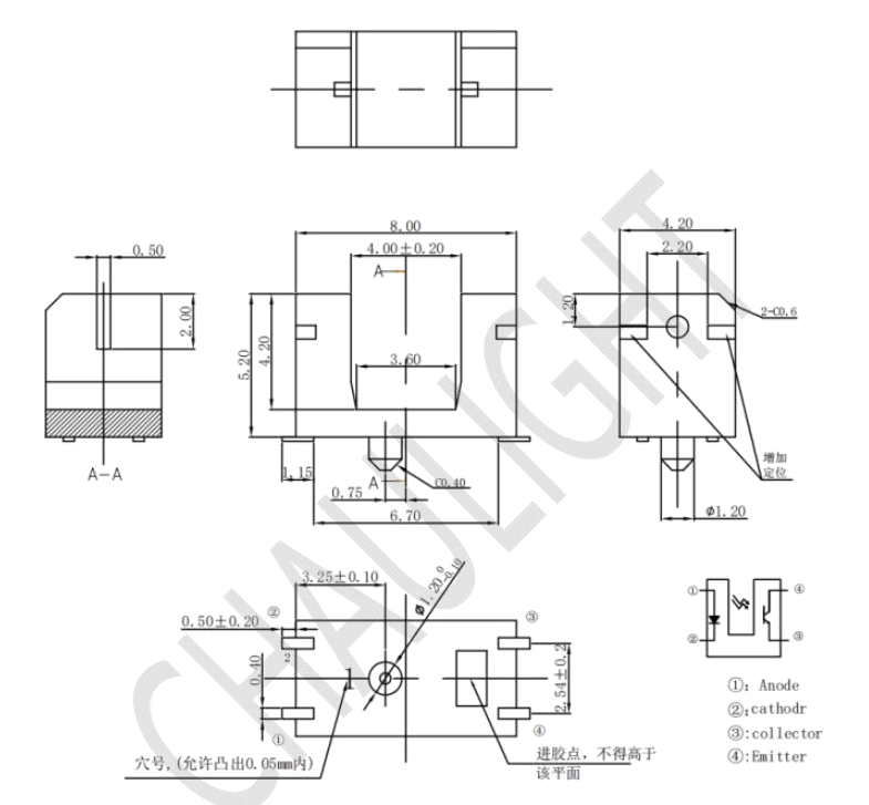
贴片式
T0804-Z
ZOS-T0804-Z1 由红外发射二极管和 NPN 硅光晶体管组成,它们并排封装在黑色
热塑性外壳中的汇聚光轴上。光电晶体管只接收来自 IR 的辐射。这是正常情况。
但当物体在中间时,光电晶体管不能接收辐射。有关更多组件信息,请参阅 IR
和 PT。
Features
--可靠性高、辐射强度高、低电压驱动
High reliability、High radiant intensity、Low forward voltage、
--感应速度快、感光度强
Fast response time、High photo sensitivity
--截止感应波长 940nm
Cut-off visible wavelength λp=940nm
--无铅材料、Rohs 认证
Pb.Free、RoHS compliant version
Other Applications
--打印机、非接触开关
Printer、Non-contact Switching
--智能电子产品
Intelligent Electronic Products
--工业机械设备
Industrial Intelligent Equipment
--安防防护应用
Safety Application Products
Specification

