洲光源 | 红外光电传感器 ZOS-R3227S17-TR8

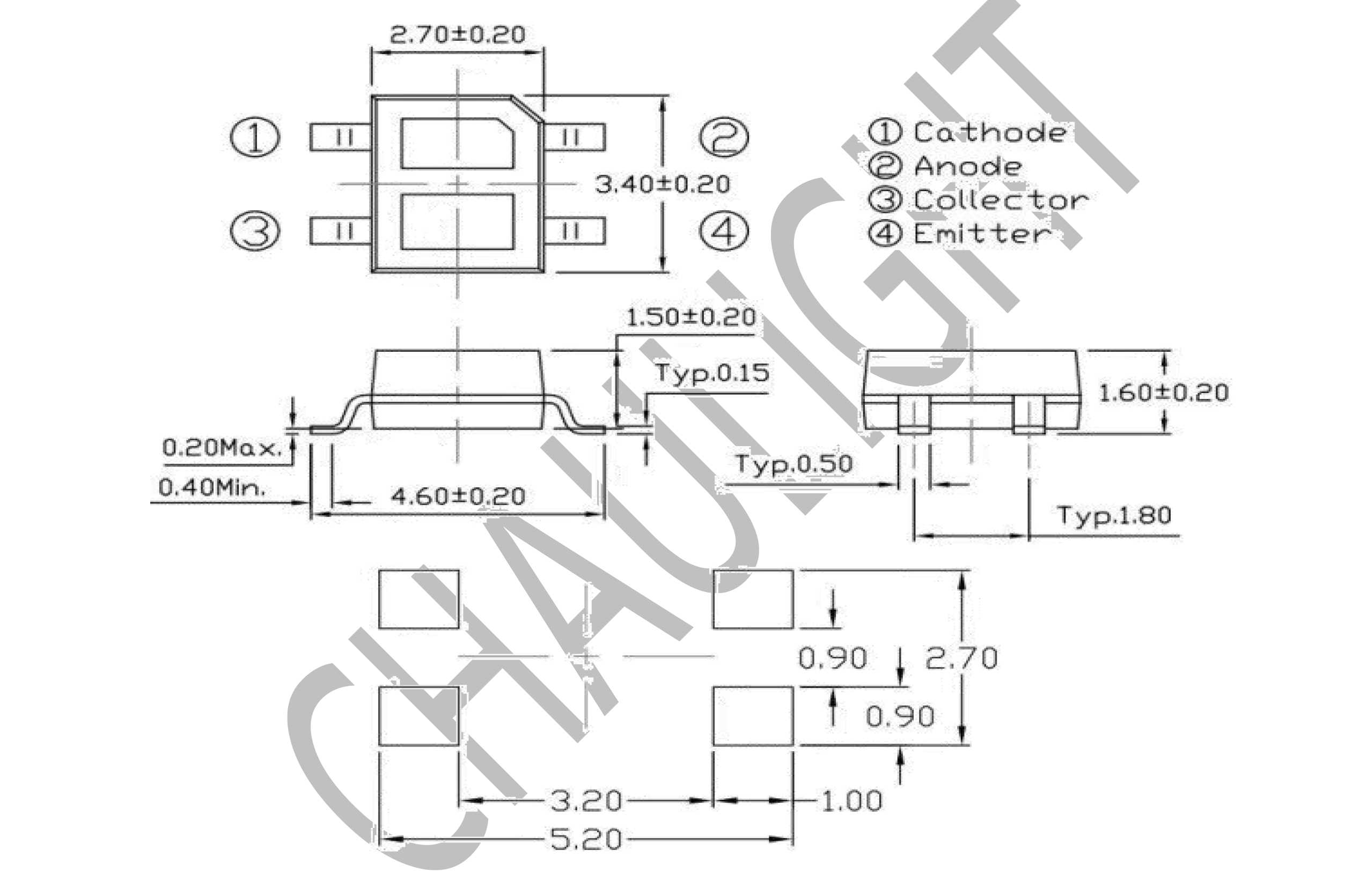
ZOS-R3227S17-TR8 是一种光反射开关,包括砷化镓红外-LED 发射机和 NPN 光晶体管, 短距离高光敏接收器,在红外范围内工作。这两个组件都是并排安装在一个塑料包装盒中的
查看产品规格书:ZOS-R3227S17-TR8
1.快速响应时间,高灵敏度
Quick response time,high sensitivity
2.截止可见波长 940nm
The visible wavelength is cut off λp=940nm3.无铅材料、RoHS 认证
Pb.Free、RoHS compliant version在现代消费电子及工业领域都有应用此款产品,它的性能特点既满足工业场景对稳定性与抗干扰的需求,又适配消费电子与家居场景的紧凑安装及环保要求。电气性能上,正向电压典型值1.2V,峰值波长940nm,集电极-发射极的工作电压最大值0.4V,在- 25~+70℃工况下稳定运行。
1c8135fee589fcf7446e4b134435db2a158a8866.png)
132efe59507fa91ea1f98bdaf965d25b275c7dbe.png)
| 器件型号 | 芯片材料 | 胶体颜色 |
| ZOS-R3227S17-TR8 | GaALAS | 黑色 |




*此款产品极具价格优势,敬请关注
关于洲光源
广东洲光源创立于2014年,拥有超过十年的光电器件产业开发和制造经验,整合专业研发、业务和市场团队,公司具备从IC设计到产品封装制造的全流程生产能力,能够为客户提供200nm-1700nm的芯片开发光电器件解决方案,产品包括SMD、Lamps、Sidelook、接收头、光电开关及智能传感器等。客户可根据产品应用需求,在洲光源选择定制选择最合适的封装产品,以提升产品应用效率与品质表现。洲光源秉持「奋斗者为本,科学发展,锐意创新,致力于创造」的理念,在国产替代的浪潮下,已发展为国内红外光电器件的必选品牌之一,未来将继续开发多元化的产品,持续为客户提供高性价比的优质解决方案,共创美好未来!
了解更多相关产品,请上 www.zgy-led.com ;邮箱: junhan-huang@zgy-led.com ;电话:+86-0760-88504720 张小姐:18125205249